Over/Under voltage, Over current, Overheating, Short circuit
Safety feature
Safe Torque Off (STO) SIL3/PLe
Debug & configuration
Serial interface
Digital Inputs
4 not isolated 5-24 Vdc PNP
Analog Inputs
2 not isolated | 0-10 Vdc
Digital Outputs
2 not isolated 24 Vdc PNP
Documents techniques
Datasheet
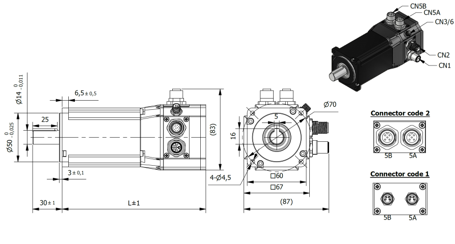
Short manual - A-Code connector
Short manual - D-Code connector
3D STP file A-Code connector
3D STP file - D-Code connector
Combinaisons personnalisées sont disponibles sur demande. Contactez-nous
Réducteurs
GP56 -S
Planetary gearboxes - GP series
Size (mm)
56
Length (L) (mm)
50,6 - 67,8
Reduction Ratio
3,293 - 62,326
Nominal Output Torque (Nm)
7,73 - 26,48
Max. Input Speed (rpm)
4658 - 13000
GP56 -N - Low noise
Planetary gearboxes - GP series
Size (mm)
56
Length (L) (mm)
56 - 73
Reduction Ratio
3,24 - 35,05
Nominal Output Torque (Nm)
1,53 - 15,84
Max. Input Speed (rpm)
5450 - 9758
GP56 -T - Torque
Planetary gearboxes - GP series
Size (mm)
56
Length (L) (mm)
54,8 - 86
Reduction Ratio
3,293 - 256,23
Nominal Output Torque (Nm)
7,73 - 35
Max. Input Speed (rpm)
4658 - 13000
56JMS
Planetary gearboxes - JMS series
Size (mm)
56
Length (L) (mm)
37,8 - 60,8
Reduction Ratio
3,6 - 76,77
Nominal Output Torque (Nm)
9 -30
DL Space
DL Space est l'environnement de programmation visuelle innovant pour nos drivers. Ce logiciel ne nécessite pas l'apprentissage d'un langage de texte mais, à travers une programmation graphique et des fenêtres guidées, il permet la création de programmes multitâches exploitant toutes les fonctionnalités des driver DL avec firmware S200.
Les programmes réalisés avec DL Space permettent d'exploiter tous les modes de contrôle bas niveau de nos driver programmables aussi bien pour les moteurs brushless que pour les moteurs pas à pas, y compris les multiples modes de référencement, l'arbre électrique, la gamme électronique et bien d'autres fonctions.
Le débogage des applications peut être effectué rapidement et facilement grâce aux fenêtres dédiées qui incluent un oscilloscope virtuel pour surveiller les mouvements réels du moteur.
Software
Manual
Start Up Guide
Un câble d'interface Service SCI est requis pour utiliser notre logiciel et disponible sur demande.
Le "Connector kit" n'est pas inclus mais disponible sur demande.