GW12
 
GW12-C-12.5-C

GW12-C-12.5-C

Code produit: GW12-C-12.5-C
Données techniques Download Dimensions
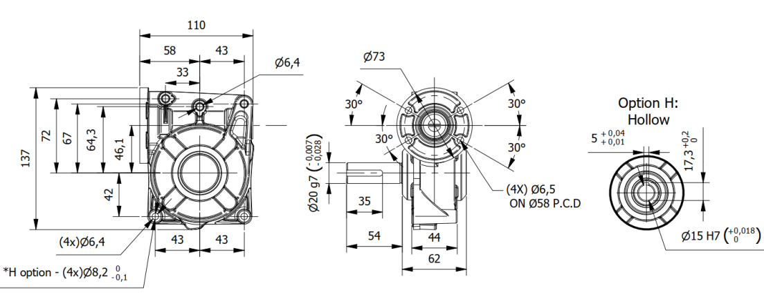
Gears materialComposite Size73 mm
Length (L)62 mmStages1
Reduction Ratio12.5 Nominal Output Torque20 Nm
Max. Output Torque32 NmEfficiency85 %
Backlash10-25 arc.minMax. Axial load300 N
Max. Radial Load (12mm from flange)500 Weight1.1 Kg
Besoin d'aide?
Parlez à nos experts



Contactez-nous
Switzerland - Global HQ


Via Prè d’là, 1
CH-6814 Lamone, Switzerland
Phone: +41 (0)91 612 85 00
Fax: +41 (0)91 612 85 19
E-mail: info@delta-line.com
USA


Delta Line North America, Inc
4600 South Syracuse, 9th Floor
Denver, CO 80237, USA
Phone: +1 303 256 6212
E-mail: infous@delta-line.com
China


Changzhou Delta Line Trade
Company Limited,
414 Building 1,
FuChen HuaYuan
New North District Changzhou,
Jiangsu, China
Follow

© 2020 All rights reserved| Privacy & cookie Policy | Legal Notes
Powered by Ico Computer| Sitemap